可調式 C/Z 型鋼滾輪成型機
CHJ-AJ-01
可變式 C/Z型鋼滾輪成型機
成機工業所生產的可調式C/Z型鋼滾輪成型機已全面電腦化,此款設備針對不同的高度和寬度而設計,可以設定多組不同尺寸和沖孔位置。使用者僅需在控制台輸入所需的厚度、寬度和高度等數據,在完全不用更換滾輪組的情況下,電腦便會自動調整滾輪到正確位置,且整個調整過程僅需要2-3分鐘,不但快速且高效率,絕對是您的最佳選擇。
為什麼選擇成機?
成機工業有限公司擁有40年以上的滾輪成型機製造經驗,可根據客戶需求進行定制。我們獨立開發的PLC控制系統在發生故障時,只需更換故障模組即可重新啟用,大大簡化了維護和更換的過程。這種以精確為導向的方法都在在的提升整體生產效率和品質。而徹底的進料檢驗為了是確保供應商的零部件與圖稿規格相符,從而保證最終產品滿足我們客戶的嚴格標準。
產品特點
- 以PLC簡易設定成品尺寸、厚度及沖孔位置。
- 輪模即可自動調整到所需尺寸,調整時間為3-4分鐘。
- 耐用性及穩定性佳,易於調整是我們引以為傲的一個特點。
產品規格
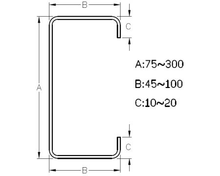
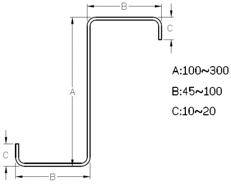
- 鐵板厚度:1.5~4.0mm
- 成型速度:17~25M/min.
- 輪模段數:16
- 動力馬達:40~50HP
- 全長 x 全寬:10~12M x 1.8M
- 料架載重:3~5Tons
產品應用
- 太陽能系統支架
- 廠房、農舍結構
- 樣品斷面圖
- 證書
- 影片



