Cherng Ji Machine de Formage de Rouleaux de Toiture à Couche Unique | Système de Toit Dissimulé CHJ-A-18
Cherng Ji's La machine de formage de rouleaux de toiture à couche unique CHJ-A-18 dispose d'une technologie de formage hydraulique automatique avec des conceptions personnalisables pour des toitures sinusoïdales, trapézoïdales et dissimulées. Avec 40 ans d'expertise en fabrication, nos machines offrent une stabilité exceptionnelle, une durabilité et une facilité d'utilisation avec des vitesses allant jusqu'à 50M/min pour une production efficace.
Machine de formation de rouleaux de toiture à une couche.
CHJ-A-18
Machine de formation de rouleaux de toit dissimulé.
La machine de formation de toiture à une couche de Cherng Ji dispose d'un système de formation hydraulique automatique de haute qualité. Elle est conçue pour être facile à utiliser pour les clients.
Pourquoi Cherng-Ji ?
Cherng JI Industrial co., Ltd. a 40 ans d'expertise dans la fabrication de machines de formage à froid, personnalisable selon les exigences des clients. Notre système de contrôle PLC développé de manière indépendante simplifie la maintenance et le remplacement en se concentrant sur la substitution des modules défectueux. Cette approche axée sur la précision améliore l'efficacité et la qualité de la production globale. De plus, des inspections approfondies à l'arrivée garantissent que les composants des fournisseurs sont conformes aux spécifications des dessins, garantissant que les produits finaux répondent aux normes exigeantes de nos clients.
Caractéristiques
- Hautement personnalisable : Un design personnalisé est disponible pour des feuilles ondulées polyvalentes, telles que des toits sinusoïdaux / trapézoïdaux / dissimulés (clip lock).
- Haute qualité : Stabilité, durabilité, ajustement facile.
- Multi-vitesse : La vitesse de formation est optionnelle pour la vitesse normale et la cisaille volante.
Spécification de la machine
- Épaisseur de la feuille : 0,3 ~ 0,7 mm
- Vitesse de formation : 20 ~ 24M/min (vitesse normale), 50M/min. (cisaille volante)
- Stations de rouleaux : 18 ~ 26
- Puissance du moteur : 15 ~ 30HP
- Longueur x Largeur : 9 ~ 12M x 1,4 ~ 1,8M
- Capacité de charge du décoilteur : 5 ~ 8Tons
Application
- Toit.
- Mur.
- Planche.
-
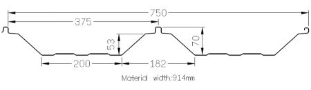
Feuille de formation de machine à former des toits à couches simples.
-
Feuille de formation de machine à former des toits à couches simples 01.
-
Feuille de formation de machine de formation de toiture à couches simples 02.
-
Feuille de formation de machine de formation de toiture à couches simples 03.
- Section d'échantillon
- Certificat
- Vidéo
-
Cherng Ji Société industrielle, film commercial : Cette vidéo a montré pourquoi Cherng Ji peut produire des machines de formage à rouleaux de haute qualité, y compris une recherche et développement robuste, des processus fiables et un excellent service. Nous nous améliorons continuellement pour fournir à nos clients les meilleurs produits.
Comment le contrôle PLC avancé impacte-t-il l'efficacité de votre opération de formage des métaux ?
Le système de contrôle PLC développé indépendamment par Cherng Ji's révolutionne les procédures de maintenance en se concentrant sur le remplacement de composants modulaires plutôt que sur un dépannage complexe. Cette approche réduit considérablement les temps d'arrêt, minimise les coûts de maintenance et prolonge la durée de vie des machines. Pour les transformateurs de métal, cela se traduit par une efficacité opérationnelle accrue et une rentabilité améliorée. Planifiez une démonstration pour voir comment nos systèmes de contrôle avancés peuvent transformer vos capacités de production.
Conçu avec précision et durabilité à l'esprit, le CHJ-A-18 intègre le système de contrôle PLC développé indépendamment de Cherng Ji's, qui simplifie la maintenance grâce à un design modulaire, permettant un dépannage rapide et un remplacement des composants. La construction robuste de la machine garantit une stabilité et une longévité exceptionnelles tout en maintenant une facilité d'ajustement pour différents besoins de production. Avec des configurations personnalisables comprenant 18 à 26 stations de rouleaux, des puissances de moteur de 15 à 30 ch et des capacités de charge de décoilage de 5 à 8 tonnes, cette solution de formage à froid offre la polyvalence et la fiabilité exigées par les fabricants de toitures, de revêtements muraux et de panneaux architecturaux dans le monde entier.



